

搜索关键词:黄色91免费APP,防爆黄色91免费APP,环链黄色91免费APP,黄色91免费APP,环链黄色91免费APP,船用黄色91免费APP,防爆黄色91免费APP,冶金黄色91免费APP
主电路识别图:

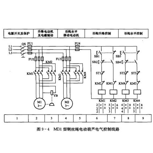
功率开关和保护部。用图9-4中1区域隔离开关QS.熔断器FU1构成电源开关和保护部件。实践中,QS1开关QS1是用于机床电源的开关;FU1实现了起重电机M1,吊钩水平移动电机M2短路保护功能。
提升电机M1主回路。从图9-4中2区.3区的主电路可以看出,起升电机M1主电路为正反.反向电磁制动单元主电路。实用化过程中,接触器KM1.KM2主触头分别控制起升电机M1.反向电源通断。另外,FU2还实现了熔断电机M1短路保护功能,电磁阀YB实现了电机M1电磁制动控制动能。
联系QQ:670944510
联系邮箱:sanmahulu@163.com
传真:0523-84336321
联系地址:江苏靖江市城北工业园区
扫一扫 微信咨询
靖江市91免费小视频起重设备有限公司 版权所有 技术支持:黄色91免费APP 备案号: 苏ICP备51783976号-1